Stok Kodu
BL 06 R SB
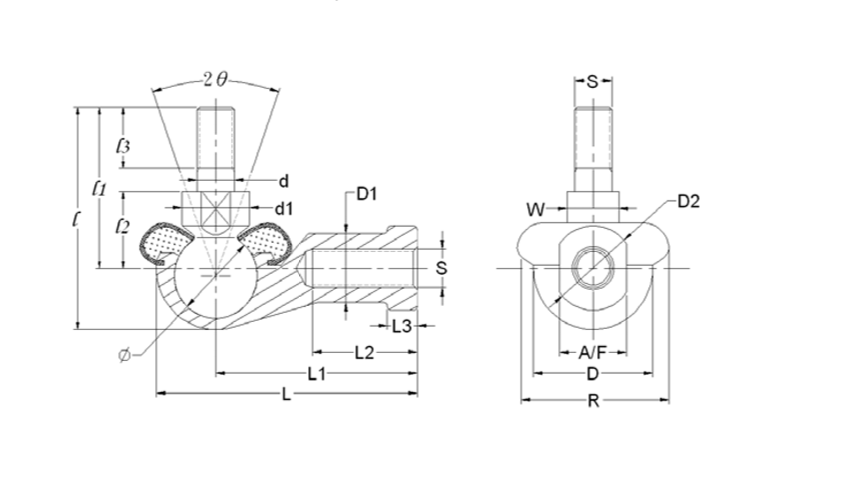
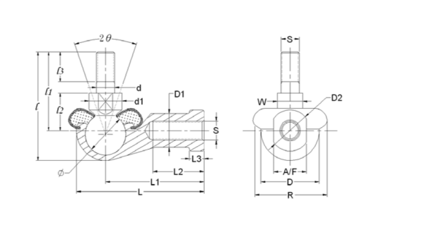
RBL 06 R SB M6x1 (Sağ) L Tipi Mafsal Rulman
RBL 06 R SB M6x1 (Sağ) L Tipi Mafsal Rulman


Bu ürüne ilk yorumu siz yapın!
Markalarımız
