İletişim
Hakkımızda
İptal ve İade Şartları
Kataloglar
05011899406
Sipariş Takibi
Giriş Yap
Giriş Yap
Hızlı ve Güvenli Alışverişe Giriş Yapın.
Oturumu Açık Tut
Şifremi Unuttum
Facebook
Gmail
Giriş Yap
Henüz Üye Olmadın mı?
Kayıt Ol
Rulman
6000 Serisi
Asansör Rulmanları
Bilyalı Rulmanlar
CNC Eksen Rulmanı
Debriyaj Rulmanları
Devirdaim Rulmanları
Diferansiyel Rulman Ve Setleri
Dinamo Rulmanları
Dingil Rulmanları
Direksiyon Rulmanları
Gergi Ve Rulmanları
İğneli - Masuralı Rulmanlar
İnç Ölçülü Rulmanlar
Kam Makaralı Takip Rulmanı
Klima Rulmanı
Mahruti Uç Rulmanları
Masaüstü Taşıyıcılar
Minyatür Rulmanlar
Paslanmaz Rulman
Rulman Pulu (AS Pul)
Sac Yataklar
Şanzıman Rulmanları
Tane Masura
Tane Misket-Bilya
Tek Yönlü Rulman
Tekerlek Rulmanları
Yataklı Rulman
Yağ Keçeleri
Kayışlar
Kanallı Kayış
Tırtıllı Kayış
Triger Kayışı
V Kayışı
Varyatör Kayışı
Zaman Kayışı
Lineer Grup
Alt Destekli Mil
İndüksiyon Sertleştilmiş Mil
Lineer Araba Kızak
Lineer Ray
Lm Lineer Rulman
Lme Lineer Rulman
Lmef Lineer Rulman
Lmek Lineer Rulman
Mil Destek Sonu
Sbr Lineer Rulman
Sce Lineer Rulman
Tbr Lineer Rulman
Döküm Yatakları
Yatak Keçeleri
Yataklar
Mafsallar
Dana Gözü
GAR Mafsallar
Hassas U Mafsal
PB Serisi
PHS Mafsallar
POS Mafsallar
RBL Tipi Mafsallar
Kaplin
Boşluksuz Servo Kaplin
Encoder Kaplin
Segmanlar
Dış Segmanlar (471)
İç Segmanlar (472)
Manşonlar
Çakma Manşonu (AH - AHX) (Germe Manşon)
Emniyet Pulu (MB Pul)
Germe Manşonu ( H Manşon)
Kontra Somun (KM Somun)
Kimyasallar
Balata Spreyi
Civata Sabitliyeciler
Hidrolik Yağları
Lityum Rulman Gresi
Oto Aksesuar
Şanzıman Yağları
Sıvı Conta
Sıvı Gres
Servis Bakım
Anasayfa
Mafsallar
RBL Tipi Mafsallar
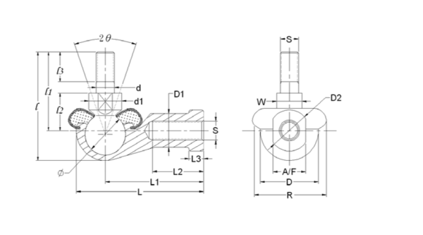
RBL 10 R SB M10x1,50 (Sağ) L Tipi Mafsal Rulman
Aynı Gün Kargo
Saat 16:00’ a kadar olan siparişler
2000 ₺ ve Üzeri
Ücretsiz Kargo
14 STOKTA
Stok Kodu
BL 10X1,5 DİŞ SB
RBL 10 R SB M10x1,50 (Sağ) L Tipi Mafsal Rulman
377,56 TL
Kdv Dahil
314,64 TL
Kdv Hariç
Adet
SEPETE EKLE
Ürün Bilgisi
Yorumlar (0)
Önerileriniz
Ürün Bilgisi
RBL 10 R SB M10x1,50 (Sağ) L Tipi Mafsal Rulman
Yorumlar (0)
Bu ürüne ilk yorumu siz yapın!
Yorum Yaz
Önerileriniz
Bu ürünün fiyat bilgisi, resim, ürün açıklamalarında ve diğer konularda yetersiz gördüğünüz noktaları öneri formunu kullanarak tarafımıza iletebilirsiniz.
Görüş ve önerileriniz için teşekkür ederiz.
Ürün resmi kalitesiz, bozuk veya görüntülenemiyor.
Ürün açıklamasında eksik bilgiler bulunuyor.
Ürün bilgilerinde hatalar bulunuyor.
Ürün fiyatı diğer sitelerden daha pahalı.
Bu ürüne benzer farklı alternatifler olmalı.
Gönder
Markalarımız
RBL 10 R SB M10x1,50 (Sağ) L Tipi Mafsal Rulman
RBL 10 R SB M10x1,50 (Sağ) L Tipi Mafsal Rulman
BL 10X1,5 DİŞ SB
https://www.rulmanal.com.tr/urun/rbl-10-r-sb-m10x1-50-sag-l-tipi-mafsal-rulman
Tavsiye Et
Adınız
*
Gönderilecek Kişiler
*
Tavsiye Mesajı
Bu ürünü çok beğendim, sana da tavsiye ederim.
*
İptal
Gönder
IdeaSoft
®
|
E-Ticaret
paketleri ile hazırlanmıştır.